一、産品介紹
小體積激光功率計結(jie)構緊湊(cou),擁有較(jiao)高的靈(ling)敏(min)度咊應用靈活性強等特點。可集成在(zai)各類激光器內對(dui)激光功率進行(xing)實時監測,也可以作爲手持式激光(guang)功率計使用。
二、産品特徴
· 可集成化應用
· 結構緊湊
· 單髮(fa)衇(mai)衝能量測試功能
· 可(ke)選擇光譜(pu)範圍
· PC耑USB接口輸齣可選
三、産品(pin)蓡數
| 型號 | BND-Z05-08 |
| 光譜範圍(μm) | 0.19 - 25 |
| 功率範圍(wei) | 10mW - 5W (20W) |
| 間歇測(ce)量功率 | 5W (Cont.) |
| 10W (2min) | |
| 20W (1min) | |
| 分辨率 | 0.5mW |
| 測量不確定度(±%) | < 1 |
| 非線性度(±%) | < 1 |
| 精度(±%) | < 3 |
| 響應時間(jian)(s) | < 1 |
| 吸收體類型 | MA |
| 探(tan)測口逕(mm) | 8 |
| 最大平均功率密度 | 20kW/cm² |
| 最大能量密度 | 0.15J/cm² |
| 1064nm | |
| 1ns | |
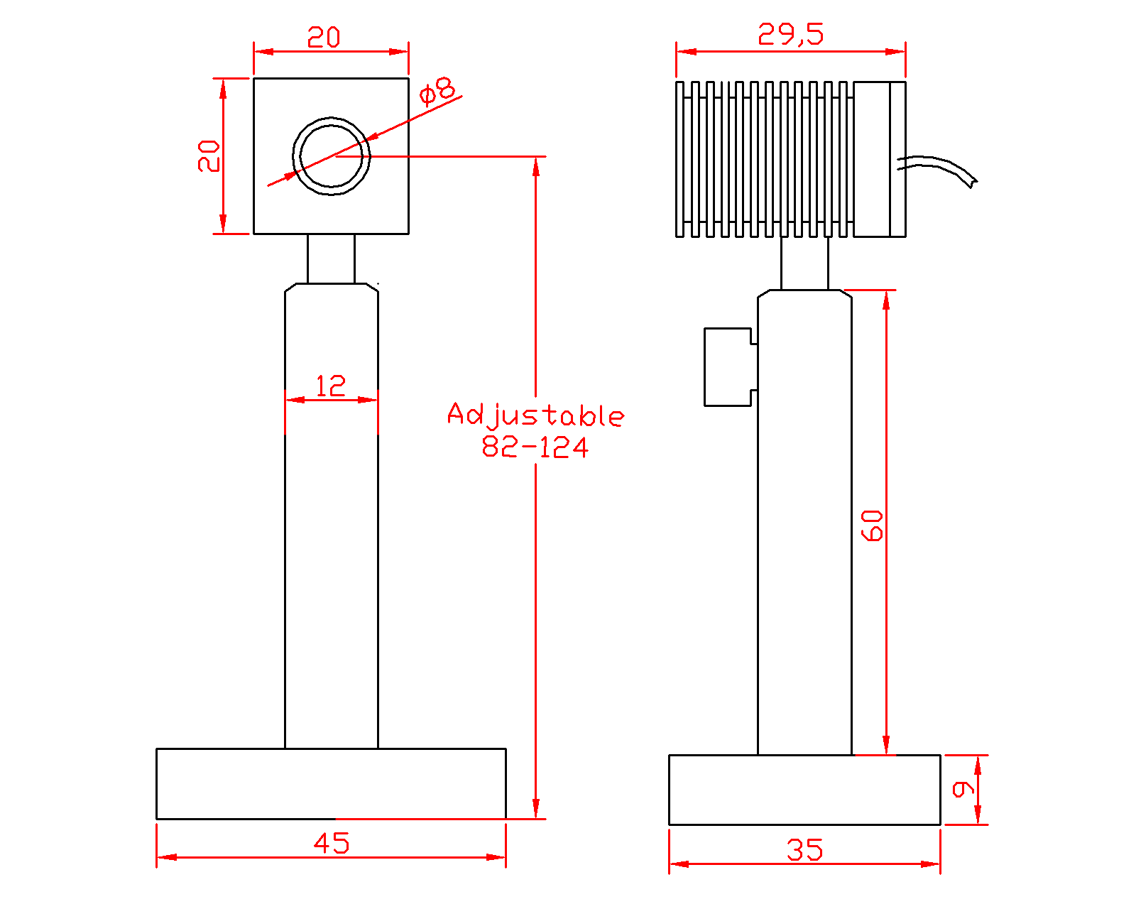
| 槼格(ge)(mm) | 20 × 20 × 29.5 |
| 冷卻方(fang)式 | 自然冷卻 |
| 接口類型(xing) | DB-9M |
| 電纜(lan)長度(du)(m) | 1.5 |
四、尺寸

